Abstract:Through the analysis of the ground fault of the ocean platform, this paper discusses the necessity of installing the leakage protector on the handheld and mobile electrical equipment of the ocean platform, and briefly describes the working principle of the leakage protector.
Keywords: Ocean platform; IT system; leakage protector
0.Overview
In the process of ocean oil and natural gas exploitation,ocean platform are extremely dangerous as important places for oil and gas collection, temporary storage and simple processing. At the same time, affected by many factors such as sun and rain, salt spray erosion, compact electrical equipment, and narrow operating space, there are always hidden dangers in the electrical safety of ocean platform. In order to avoid electrical safety accidents of ocean platform, it is necessary to select the grounding form of the power supply and distribution system according to the environmental characteristics of the ocean platform, and choose the corresponding grounding protection method.
1.The characteristics of the power distribution system of the ocean platform
The low-voltage power distribution system is divided into three forms:the TN system,the TT system and the IT system. Each type of grounding low-voltage power distribution system has its own advantages, disadvantages and scope of application. Designers should make specific choices based on factors such as the environmental conditions of the workplace, the characteristics of electrical equipment, and electrical requirements. At present, ocean platform generally use IT systems for power supply, which is determined by their own characteristics:
1) ocean platforms are far away from the land and require high uninterrupted power supply. For example, the platform's fire protection measures and emergency escape facilities are not allowed to be powered off;
2) The marine platform has a harsh environment, salt spray and humidity are prone to damage to the insulation of electrical equipment and power supply lines, and ground faults occur.
2.Leakage protection of handheld and mobile electrical equipment on ocean platforms
1)Ground faults of handheld and mobile electrical equipment on ocean platforms are generally due to the following reasons; a) Hand-held and mobile electrical equipment need to be moved frequently, so the cable and electrical equipment’s joints are easy to loosen, causing the phase lines to touch. Ground fault occurs on the equipment shell; b) The cable repeatedly bends during the use of handheld and mobile electrical equipment, causing the core wire to be broken, piercing the cable insulation and contacting the external conductive part to cause a ground fault.
2)Ground fault analysis of handheld and mobile electrical equipment on ocean platforms
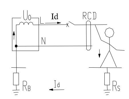
a)Single-phase ground fault. The International Electrotechnical Commission standard IEC4.79 (Effect of current passing through the human body) determines that when the AC 50Hz current through the human body does not exceed 30mA, the human body will not die due to ventricular fibrillation. It has no direct relationship with the humidity of the human body and the level of contact voltage.Most of the low-voltage power distribution systems of ocean platforms have always used IT systems with ungrounded neutral points, so that if direct contact with single-phase live conductors, single-phase grounding or indirect contact failure occurs, the single-phase grounding fault current is the other two relative.The vector sum of the ground capacitance current is usually very small, that is, the fault current is very small. In this case, there is no danger of electric shock. Therefore, the power supply may not be cut off. However, as the number of electrical equipment used on ocean platforms increases, power cable lines increase accordingly, and the capacitive current increases accordingly, and the single-phase ground current also increases when a fault occurs. If the shell of the electrical equipment is not reliably grounded or the grounding wire is disconnected, the single-phase ground fault current can only form a loop through the human body. When the AC 50Hz current through the human body exceeds 30mA, the human body may be caused by ventricular fibrillation. die. In the low-voltage power distribution system, one-phase insulation breakdown of electrical equipment causes the equipment shell to become live. When the single-phase ground fault current Id=Ia+Ib≥30mA, it exceeds the safety threshold of AC current that the human body can withstand, and the power supply must be cut off immediately to ensure safety. At this time, installing a leakage protector at the electrical equipment is the only solution.
b)Out-of-phase grounding fault. When a single-phase grounding fault occurs, the other two phase-to-ground voltages increase, and the insulation of electrical equipment is required to withstand a higher voltage, which may cause insulation damage and further enlarge the fault, which will result in an out-of-phase grounding fault. According to Article 4.4.14 of "Code for Low-Voltage Power Distribution Design" GB50054-1995: The exposed conductive parts of the IT system can be grounded with a common grounding electrode, or individually or in groups with separate grounding electrodes. When the exposed conductive parts are grounded together, when the second out-of-phase ground fault occurs, the cut-off of the fault circuit should meet the requirements of TN system ground fault protection. The offshore platform is a steel structure, which itself is a conductor, which is equivalent to the common grounding electrode of the exposed conductive parts of the electrical equipment. When an out-of-phase ground fault occurs, the disconnection of the fault circuit should meet the requirements of TN system ground fault protection. According to the specifications, in the TN system, handheld and mobile electrical equipment should be equipped with leakage protectors.
3.product description
The residual current relay is a residual current transformer to detect the residual current, and under specified conditions, when the residual current reaches or exceeds a given value, one or more electrical output circuit contacts in the electrical appliance will open and close. Switch electrical appliances.
Here are three common leakage situations.
1).High-sensitivity RCD with I△n≤30mA must be used to prevent direct contact and electric shock.

2).The medium sensitivity RCD with I△n greater than 30mA can be used to prevent indirect contact and electric shock.

3).A 4-pole or 2-pole RCD shall be used for fireproof RCD.

For the IT systems, residual current relays are used as required. In order to prevent the insulation of the system from degrading and as a secondary fault backup protection, according to the wiring type, a protective measure similar to the TT or TN system is adopted. First, an insulation monitoring device should be used to predict a failure.

For the TT system, a residual current relay is recommended. Because when a single-phase ground fault occurs, the fault current is very small and difficult to estimate. If the operating current of the switch is not reached, a dangerous voltage will appear on the housing. At this time, the N wire must pass through the residual current transformer.

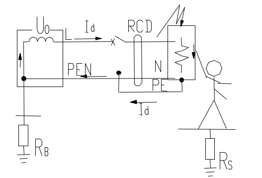
For the TN-S system, a residual current relay can be used. Cut off the fault more quickly and sensitively to improve safety and reliability. At this time, the PE wire must not pass through the transformer, and the N wire must pass through the transformer, and it must not be grounded repeatedly.

For the TN-C systems, residual current relays cannot be used. Because the PE wire and the N wire are integrated, if the PEN wire is not repeatedly grounded, when the shell is energized, the current in and out of the transformer is equal, and the ASJ refuses to move; if the PEN wire is repeatedly grounded, part of the single-phase current will flow into the repeated grounding. After reaching a certain value, ASJ malfunctioned. It is necessary to transform the TN-C system into a TN-C-S system, which is the same as the TN-S system, and then connect the residual current transformer to the TN-S system.


4.Product Introduction
Acrel Electric's ASJ series residual current relay can meet the protection of the above-mentioned leakage conditions, and it can be used in conjunction with a remote trip switch to cut off the power supply in time to prevent indirect contact and limit the leakage current. It can also be directly used as a signal relay to monitor power equipment. It is especially suitable for the safety protection of electricity consumption in schools, commercial buildings, factory workshops, bazaars, industrial and mining enterprises, national key fire protection units, smart buildings and communities, subways, petrochemicals, telecommunications and national defense departments.
The ASJ series products mainly have two installation methods. ASJ10 series are rail-mounted installations. The appearance and functions are shown in the following table:
Conformation | Type | Main function | Functional difference |
| ASJ10-LD1C | 1. Residual current measurement 2. Over-limit alarm 3. The rated residual operating current can be set 4. The limit non-driving time can be set 5. Two sets of relay output 6. With local/remote test/reset function | 1. AC type residual current measurement 2. Current limit alarm indication |
| ASJ10-LD1A | 1. A-type residual current measurement 2. Current percentage bar display | |
| ASJ10L-LD1A | 1. A-type residual current measurement 2. Segment LCD display 3. Transformer disconnection alarm 4. Pre-alarm value can be set, return value can be set 5. 25 event records |
ASJ20 series are panel mounted, the appearance and functions are shown in the following table:
conformation | type | main function | Functional difference |
| ASJ20-LD1C | 1. Residual current measurement 2. Over-limit alarm 3. The rated residual operating current can be set 4. The limit non-driving time can be set 5. Two sets of relay output 6. With local/remote test/reset function | 1. AC type residual current measurement 2. Current limit alarm indication |
| ASJ20-LD1A | 1. A-type residual current measurement 2. Current percentage bar display |
Among them, the difference between AC type and A type residual current relay is: AC type residual current relay is a residual current relay that can ensure the tripping of the residual sinusoidal alternating current that is suddenly applied or slowly rising, and it mainly monitors sinusoidal alternating current signals. Type A residual current relay is a residual current relay that can ensure the tripping of residual sinusoidal alternating current and residual pulsating direct current that is applied suddenly or slowly, and mainly monitors sinusoidal alternating current signals and pulsed direct current signals.
The specific wiring terminals and typical wiring of the instrument are as follows:
5.Conclusion

In the previous electrical design of ocean platforms, there were basically no or seldom installed leakage protectors for the power distribution protection of handheld and mobile electrical equipment. More designers believe that in the IT power supply system of ocean platforms, handheld and it is not necessary to install a leakage protector for mobile electrical equipment. From the above point of view, this idea only considers one aspect of it and is one-sided. ASJ series residual current relay products can monitor the leakage current in the line. When the leakage current reaches or exceeds the set value, the internal relay will act to issue an alarm, and can be linked with the circuit breaker switch to quickly cut off the line to ensure line safety.