E-mail

Acrel AIM-M10 Medical Insulation Monitoring Device

AIM-M10 Medical Insulation Monitoring Device is designed for use with hospital isolated power systems and isolation panels, this device features temperature and load current monitoring, with an alarm output mode, as well as insulation monitoring with a resistance measuring range of 10-999kΩ and an alarm range of 0-200℃. With a measuring voltage of ≤12V and a permissible system leakage capacitance of ≤5uF, this device is ideal for medical settings. Plus, its EMC compliance and RS485 communication make it a top choice for hospitals.

isolation panels in hospitals
isolation panels in hospitals
hospital isolation panel
hospital isolated power systems
hospital isolation panel testing
Products

Specification of AIM-M10 Medical Insulation Monitoring Device

Parameter
AUX PowerVoltageAC220V±10%Temperature monitoringThermal resistor2 Pt100
Power consumption≤5VAMeasuring range-50~+200℃
Insulation MonitoringResistance measuring range10~999kΩAlarm value range0~+200℃
Response value50~999kΩAlarmOutput mode1 Relays
Relative uncertainty±10%outputContact ratingAC 250V/3A

DC 30V/3A
Response time≤3sEnvironmentOperating temperature-10~+55℃
Permissible system leakage capacitance Ce≤5uFTransport temperature-25~+70℃
Measuring voltage Um≤12VStorage temperature-25~+70℃
Measuring current Im≤50uARelative humidity5%-95%, No condensation
Impedance Zi≥200kΩAltitude≤2500m
Internal DC resistance Ri≥240kΩIP degreeIP30
Permissible extraneous DC voltage Ufg≤DC280VRated impulse voltage/pollution degree4KV/Ⅲ
Load Current MonitoringMeasuring Value2.1~50AEMCIEC 61326-2-4
Alarm Value5~50ACommunicationRS485(Modbus-RTU)


Diagram of AIM-M10 Medical Insulation Monitoring Device

Diagram of AIM-M10 Medical Insulation Monitoring Device
Dimension
Diagram of AIM-M10 Medical Insulation Monitoring Device
Wiring
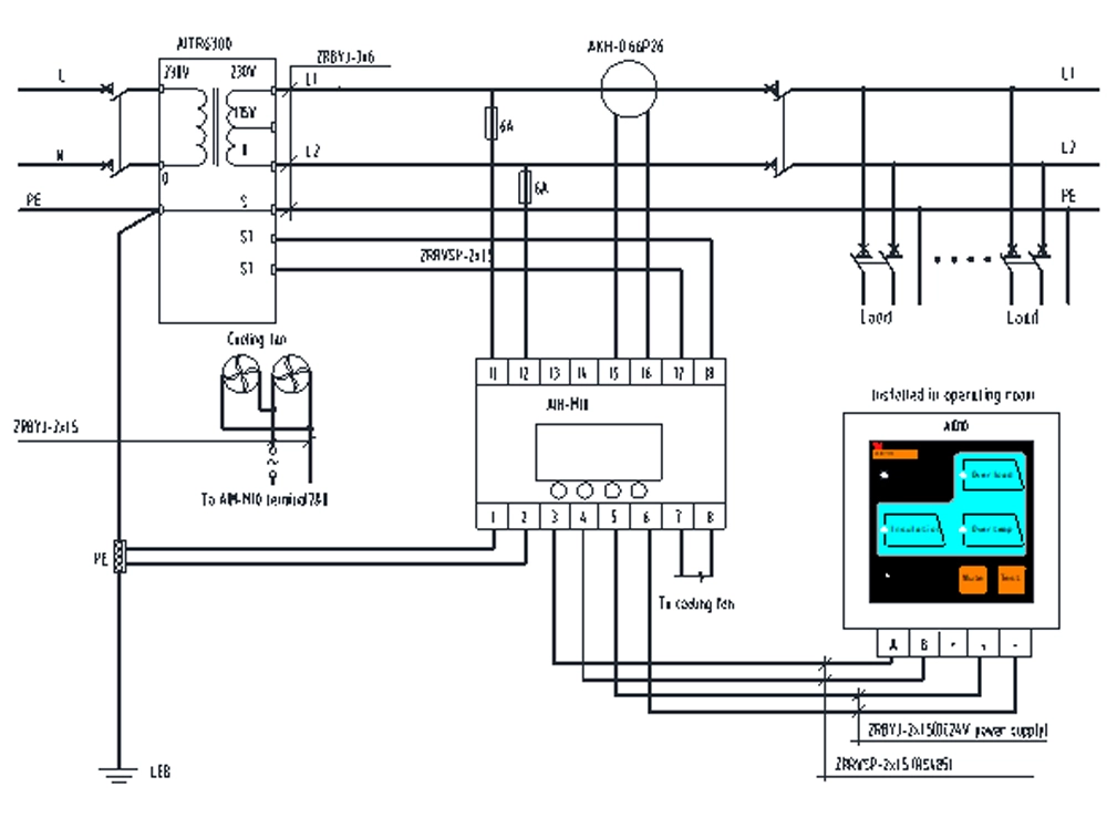
Diagram of AIM-M10 Medical Insulation Monitoring Device
Network
Innovation, Efficiency, Unity, Integrity.
Acrel, your reliable energy meter partner. Don't hesitate to contact us!
Contact Us
Related Medical IT Insulation Monitoring System
+8618795636361 michelle.zhou@email.acrel.cn
No. 9 Xincheng Road, Chengjiang Street, Jiangyin City, Jiangsu Province, China.