E-mail

Acrel BA05 AC 0-10A Current Sensor Current transducer

BA series products use the principle of electromagnetic induction to measure the AC current in the power grid in real time, and use precision constant current technology and linear temperature compensation technology to isolate and transform it into a standard DC signal output. BA05-AI/I (V) collects AC 0-10A current signal, isolates and transmits and outputs 4-20mA or 0-5V DC signal, and the perforation size is Φ5mm.

1 amp current sensor
1 amp current sensor
10 amp current sensor
10a current sensor
Products

Specification of BA05-AI/I BA05-AI/V AC 0-10A Current Sensor

Main Parameter
Series Overview
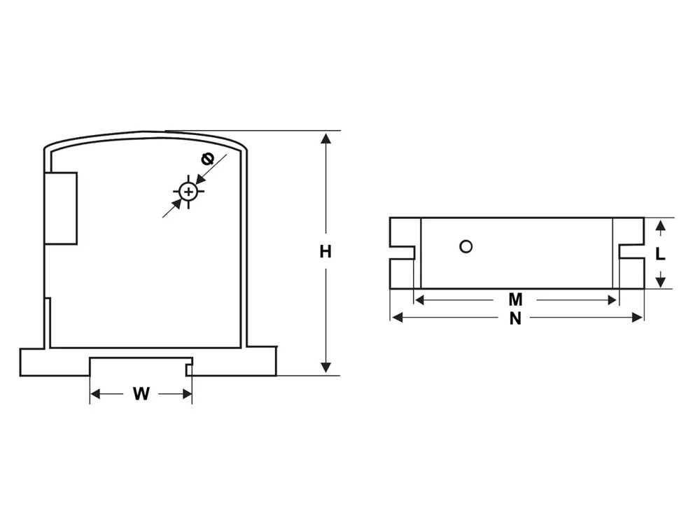
Dimension
ParameterDescription & Value
Input0~(0.5~10)A AC
Output4~20mA/0~20mA DC
Power Supply12V/24V DC
Perforation Hole Sizeφ5mm
ApplicationPaired with PLC for Industrial Automation
AccuracyClass 0.5
Response Time≤350ms
Installation35mm DIN Rail/Screw fixed
Standard&CertificateCE; TüV


Model Name
InputOutputPerforation Hole Size(mm)
AC CurrentDC CurrentDC Voltage
BA05-AI/I
0~(0.5~10)A4~20mA/0~20mA/φ5
BA05-AI/V
0~(0.5~10)A/1~5V/0~5V
BA10-AI/I
0~(8~50)A4~20mA/0~20mA/φ10
BA10-AI/V
0~(8~50)A/1~5V/0~5V
BA20-AI/I
0~(40~200)A4~20mA/0~20mA/φ20
BA20-AI/V
0~(40~200)A/1~5V/0~5V
BA50-AI/I
0~(60~600)A4~20mA/0~20mA/
φ50

BA50-AI/V
0~(60~600)A/1~5V/0~5V
BA50L-AI/I
0~(0.1~1)A4~20mA/0~20mA/
BA50L-AI/V
0~(0.1~1)A/1~5V/0~5V




Model NameOutline Size (mm)
WHΦMNL
BA05-AI/I&BA05-AI/V3569562.57622.5
BA10-AI/I&BA10-AI/V35749.562.57622.5
BA20-AI/I&BA20-AI/V3560219310224
BA50-AI/I&BA50-AI/V35845012513524
BA50L-AI/I&BA50L-AI/V35845012513524


Features of BA05-AI/I BA05-AI/V AC 0-10A Current Sensor

01

It has the characteristics of strong overload capacity, high isolation, high safety, and low power consumption;

02

Intelligent BA can transmit measurement data through RS485 interface (MODBUS-RTU protocol);

03

It is installed on DIN35mm guide rail or fixed on the cabinet with screws. It is easy to install and the precision grade reaches 0.5calss.

Diagram of BA05-AI/I BA05-AI/V AC 0-10A Current Sensor

Diagram of BA05-AI/I BA05-AI/V AC 0-10A Current Sensor
Series Overview
Diagram of BA05-AI/I BA05-AI/V AC 0-10A Current Sensor
Dimension
Diagram of BA05-AI/I BA05-AI/V AC 0-10A Current Sensor
Dimension
Diagram of BA05-AI/I BA05-AI/V AC 0-10A Current Sensor
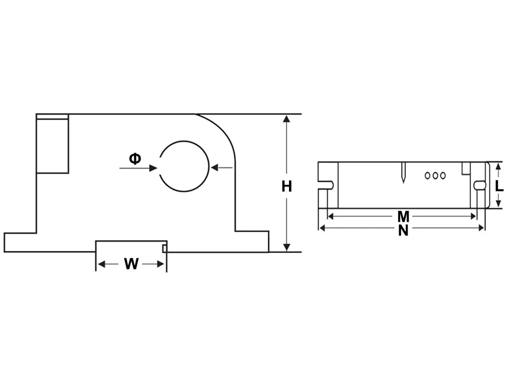
Wiring Illustration
Diagram of BA05-AI/I BA05-AI/V AC 0-10A Current Sensor
Wiring Illustration
Diagram of BA05-AI/I BA05-AI/V AC 0-10A Current Sensor
Wiring Illustration
Diagram of BA05-AI/I BA05-AI/V AC 0-10A Current Sensor
Installation Instruction
Diagram of BA05-AI/I BA05-AI/V AC 0-10A Current Sensor
Installation Instruction
Diagram of BA05-AI/I BA05-AI/V AC 0-10A Current Sensor
Work Site Application
Innovation, Efficiency, Unity, Integrity.
Acrel, your reliable energy meter partner. Don't hesitate to contact us!
Contact Us
Related BA Series Electrical Transducer
+8618795636361 michelle.zhou@email.acrel.cn
No. 9 Xincheng Road, Chengjiang Street, Jiangyin City, Jiangsu Province, China.