E-mail

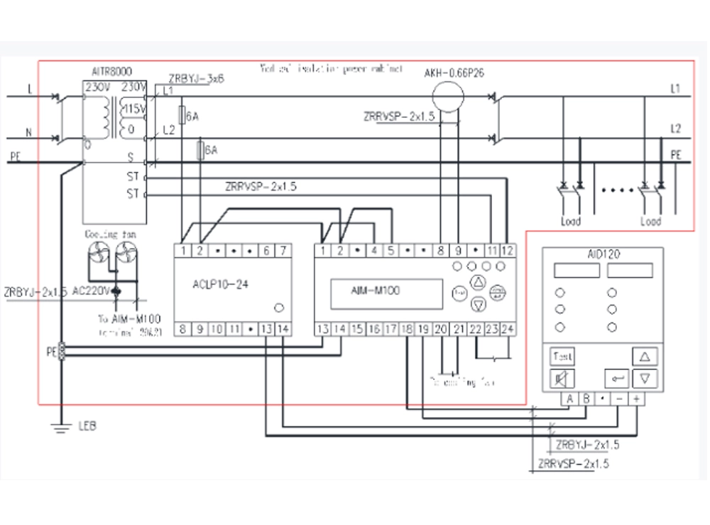
Acrel AID120 Alarm And Display Indicator

The AID120 alarm and display indicator can monitor one AIM-M100, and it is installed in-wall. It is suitable for monitoring in operating rooms or intensive care units that only use a single set of isolated power supply. It has sound and light alarms for insulation, overload, over-temperature, equipment failure and other failures. It can be displayed by digital tubes and has RS485 communication.


a smart meter
a smart meter
bright smart meter
buy digital electric meter
buying a smart meter
Products

Specification of AID120 Alarm And Display Indicator

Parameter
Aux PowerVoltageDC 24V
Power Consumption≤0.6W
Insulation Measure Range10~999kΩ
Insulation Alarm Range50~999kΩ
Transformer Load RatePercentage display
Current Alarm Range14A, 18A22A28A35A45A
Temperature Alarm Range0~+200℃
Alarm ModeAudible and visual alarm
Alarm TypeInsulation fault, overload, over temperature, device failure
Communication ModeRS485(MODBUS-RTU)
Display ModeLED display


Features of AID120 Alarm And Display Indicator

01

Through the bus communication technology, the monitoring data and alarm information of the insulation monitor can be read and displayed in real time;

02

The alarm parameters of the insulation monitor can be set remotely;


03

When the system fails, it can sound and light alarm. After pressing the mute button, the sound will be turned off, and the corresponding fault indicator light will not go out until the fault is resolved.


Diagram of AID120 Alarm And Display Indicator

Diagram of AID120 Alarm And Display Indicator
Dimension
Diagram of AID120 Alarm And Display Indicator
Installation
Diagram of AID120 Alarm And Display Indicator
Application
Diagram of AID120 Alarm And Display Indicator
Typical Connection
Innovation, Efficiency, Unity, Integrity.
Acrel, your reliable energy meter partner. Don't hesitate to contact us!
Contact Us
Related Medical IT Insulation Monitoring System
+8618795636361 michelle.zhou@email.acrel.cn
No. 9 Xincheng Road, Chengjiang Street, Jiangyin City, Jiangsu Province, China.