Residual current refers to the non-zero-sum of current vectors of each phase (including the neutral wire) in a low-voltage distribution circuit. In simple terms, when an electrical fault occurs on the user side and the current flows from the live body through a person to the ground, the currents in the incoming and outgoing lines of the main circuit, I phase and I neutral, are not equal. At this time, the root means square value of the instantaneous vector sum of the currents is called residual current, commonly known as leakage current.
A residual current relay detects the residual current using a residual current transformer. Under specified conditions, when the residual current reaches or exceeds a given value, it causes the contacts in one or more electrical output circuits of the device to open or close. In industrial applications, residual current relays are used in combination with external residual current transformers to detect and assess ground fault currents. They can also be used in conjunction with protective devices to disconnect circuits, thereby protecting both the circuit and personnel.
For protection against direct contact electric shock, a high-sensitivity RCD (Residual Current Device) with I△n ≤ 30mA should be used.

For protection against indirect contact electric shock, a medium-sensitivity RCD with I△n greater than 30mA can be used.

For fire protection, a 4-pole or 2-pole RCD should be used.

For IT systems, residual current relays should be used as required. To prevent a decrease in system insulation and provide backup protection against secondary faults, protection measures similar to TT or TN systems should be adopted based on the wiring type. Insulation monitoring devices should be used first to predict primary faults.
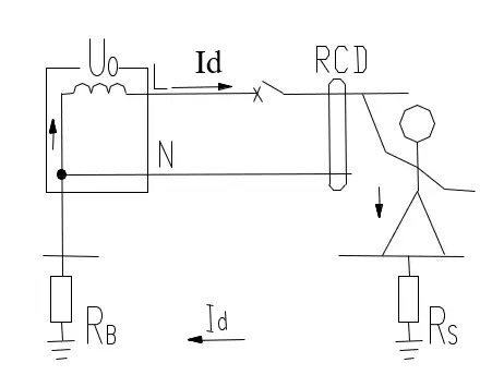
For TT systems, it is recommended to use residual current relays. In the case of a single-phase ground fault, the fault current is small and difficult to estimate, and it may not reach the operating current of the switch. Dangerous voltage may appear on the enclosure. In this case, the neutral (N) wire must pass through the residual current transformer.
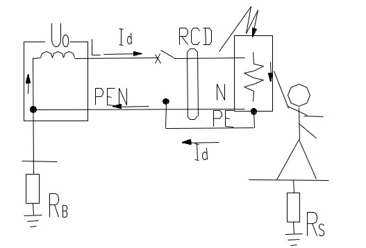
For TN-S systems, residual current relays can be used for faster and more sensitive fault detection to improve safety and reliability. The protective earth (PE) wire must not pass through the transformer, and the neutral (N) wire must pass through the transformer and should not be repeatedly grounded.
For TN-C systems, residual current relays cannot be used. This is because the protective earth (PE) and neutral (N) wires are combined. If the combined PEN wire is not repeatedly grounded and the enclosure becomes live, the current entering and leaving the transformer will be equal, causing the residual current relay to fail to operate. If the PEN wire is repeatedly grounded, a portion of the single-phase current will flow into the repeated grounding, and after reaching a certain value, the residual current relay may falsely operate. In this case, the TN-C system needs to be modified to a TN-C-S system, synchronized with the TN-S system, and then the residual current transformer is connected to the TN-S system.
ASJ series residual current relays can be combined with low-voltage circuit breakers or contactors to form a combined residual current protection device. They are mainly suitable for AC 50Hz, rated voltage of 400V and below TT and TN system distribution lines. They are used to provide ground fault protection for electrical circuits, prevent equipment damage and electrical fire accidents caused by ground fault currents, and also provide indirect contact protection against the risk of electric shock.
English
日本語
한국어
français
Deutsch
Español
italiano
русский
português
tiếng việt
Türkçe
العربية