E-mail

Acrel ACLP10-24 Auxiliary Power Supply

ACLP10-24 is a dedicated DC voltage regulator module for instruments, which uses a completely isolated linear transformer. It has the characteristics of stable output voltage, small ripple, high withstand voltage level, etc., and has a power-on indication function. The module is installed on a standard guide rail, and can be installed on the same guide din rail as the insulation monitor, which is convenient for installation.


auxiliary power supply
auxiliary power supply
aux power supply
auxiliary power sources
auxiliary power supply system
Products

Specification of ACLP10-24 Auxiliary Power Supply

Parameters
Input voltage
AC 220V(±10%)
Frequency50/60Hz
Power3W
Output voltageDC 24V±5%
Voltage regulation≤30%
Temperature rise≤20℃
Withstand voltage4000V AC/Min

Features of ACLP10-24 Auxiliary Power Supply

01

It adopts an isolated linear transformer, which has the characteristics of strong anti-interference ability and small ripple;


02

It can input AC 220V, output DC 24V, and the maximum output power is 3W;


03

It can be used to provide DC 24V power supply for AID series alarm and display instruments and other instruments.

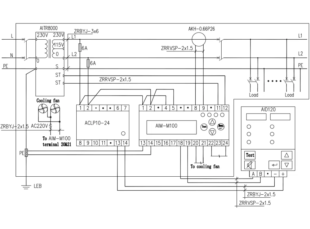
Diagram of ACLP10-24 Auxiliary Power Supply

Diagram of ACLP10-24 Auxiliary Power Supply
Features
Diagram of ACLP10-24 Auxiliary Power Supply
Features
Diagram of ACLP10-24 Auxiliary Power Supply
Display Sample
Diagram of ACLP10-24 Auxiliary Power Supply
Typical Connection
Innovation, Efficiency, Unity, Integrity.
Acrel, your reliable energy meter partner. Don't hesitate to contact us!
Contact Us
Related Medical IT Insulation Monitoring System
+8618795636361 michelle.zhou@email.acrel.cn
No. 9 Xincheng Road, Chengjiang Street, Jiangyin City, Jiangsu Province, China.