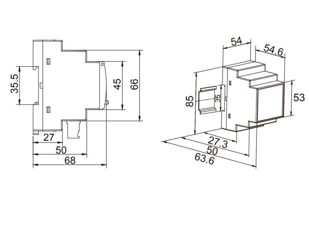
Acrel ASJ10-LD1C Sinusoidal AC Residual Current Relay
Acrel's SINUSOIDAL AC RESIDUAL CURRENT RELAY ASJ10-LD1C is the perfect solution! With 50Hz frequency, AC/DC power supply, and easy DIN rail installation, this medium voltage motor protection relay consumes ≤5W and offers the ultimate protection for your equipment.
English
日本語
한국어
français
Deutsch
Español
italiano
русский
português
tiếng việt
Türkçe
العربية

