E-mail

Acrel AGF-AE-D Solar Inverter Energy Meter

AGF-AE-D Solar Inverter Energy Meter is suitable for energy-saving renovation projects in high-energy-consuming industries such as smelting, steel, electric welding, and semiconductors. It is also suitable for power monitoring and power demand-side management of distributed photovoltaic grid-connected cabinets. It has the characteristics of no need to disassemble the busbar once, simple and convenient wiring, safe construction, saving transformation costs and improving efficiency for users.


solar inverter meter
solar inverter meter
inverter meter
power meter for sale
power meter types
smart energy electricity supply
Products

Specification of AGF-AE-D Solar Inverter Energy Meter

Parameters

Meter Electrical Service

Units


AGF-AE-D/100

AGF-AE-D/200


Rated Voltage-Line to N

120

V

Rated Voltage-Line to Line

208/240

V

Extended Voltage Range

88%~110%


AC Frequency

60

Hz

Grids Supported

L1/L2/N/PE


Power Consumption

1.2

W

Communication

Meter Communication Interfaces

RS 485


Response Time

≤1

S

Meter Accuracy

Rated RMS current

100

200

A

1%-100% of CT Current

±0.5

±1

%

Current Transformers

Number of Supplied Current Transformers

2


Dimensions

I.D:15 O.D:35

70.5×54.5×39 (H×W×D)

mm

Standard Compliance

Safety

UL1741


Installation Specifications

Dimensions(H×W×D)

54.1×87.8×52

mm

Weight

0.2

kg

Operating Temperature Range

-30~55

Relative Humidity (noncondensing)

5 - 90

%

Mounting Type

DIN-Rail,35mm


The meter is intended to be installed in a power distribution box in the end use. The acceptance of the application is to be evaluated in the end product

Features of AGF-AE-D Solar Inverter Energy Meter

01

It integrates the measurement of all power parameters (such as current, voltage, active power, reactive power, apparent power, frequency, power factor, etc.), multi-rate electric energy metering, four-quadrant electric energy metering, harmonic analysis and comprehensive power monitoring and assessment management;

02

It has a variety of peripheral interface functions for users to choose: with RS485 communication interface, using MODBUS-RTU protocol to meet the needs of communication network management;

03

With switch input and relay output, it can realize the function of "remote signal" and "remote control" of circuit breaker switch. It adopts LCD display interface, and realizes parameter setting and control through panel buttons, which is very suitable for real-time power monitoring system.

Diagram of AGF-AE-D Solar Inverter Energy Meter

Diagram of AGF-AE-D Solar Inverter Energy Meter
Features
Diagram of AGF-AE-D Solar Inverter Energy Meter
Features
Diagram of AGF-AE-D Solar Inverter Energy Meter
Features
Diagram of AGF-AE-D Solar Inverter Energy Meter
Features
Diagram of AGF-AE-D Solar Inverter Energy Meter
Features
Diagram of AGF-AE-D Solar Inverter Energy Meter
Display Sample
Diagram of AGF-AE-D Solar Inverter Energy Meter
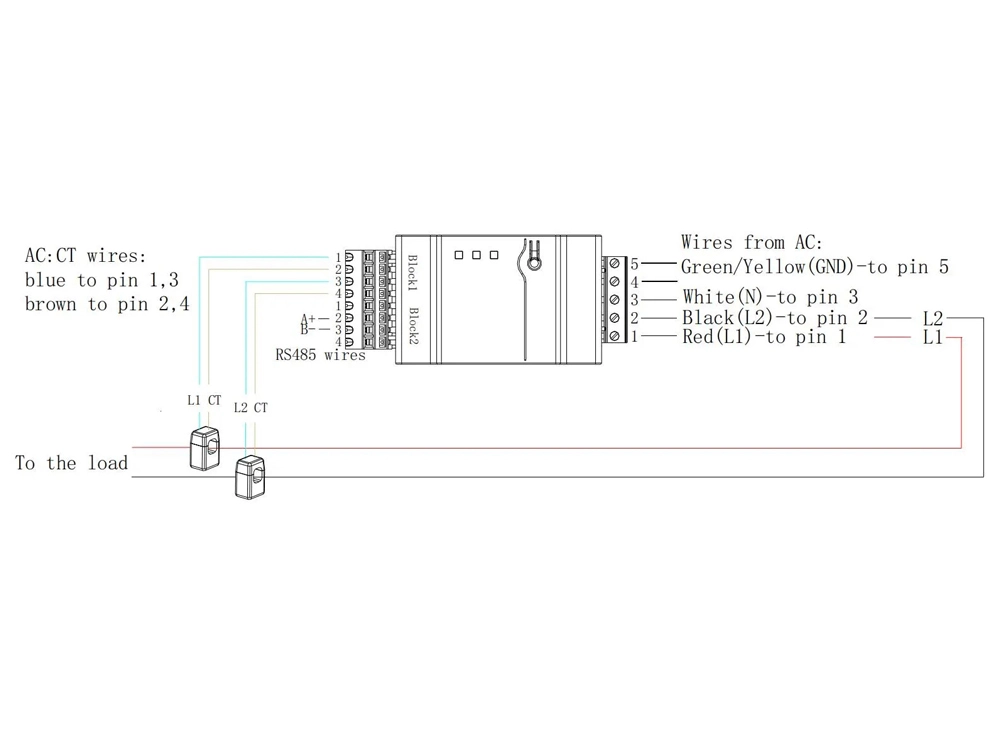
Wiring Illustration
Diagram of AGF-AE-D Solar Inverter Energy Meter
Wiring Illustration
Diagram of AGF-AE-D Solar Inverter Energy Meter
Practical Application
Diagram of AGF-AE-D Solar Inverter Energy Meter
Practical Application
Innovation, Efficiency, Unity, Integrity.
Acrel, your reliable energy meter partner. Don't hesitate to contact us!
Contact Us
Related AGF-AE Series PV/Solar Inverter Energy Meter
+8618795636361 michelle.zhou@email.acrel.cn
No. 9 Xincheng Road, Chengjiang Street, Jiangyin City, Jiangsu Province, China.